
產品中心
product center-
智慧氣象
智慧水文
智慧農業
智慧水質
智慧公路
智慧大氣
智慧光伏
智慧傳感器
生化檢測儀
山東九丞智能科技有限公司
聯系人:毛經理
手機:15666889815
電話:15666889815
QQ:1950883583
公司地址:山東省濰坊高新區新城街道玉清社區金馬路1號歐龍科技園3號車間2-205

溫濕度大氣壓噪聲傳感器
產品廠家:九丞智能科技
產品簡介:溫濕度大氣壓噪聲傳感器是一款環境監測傳感器,常被集成或單獨用于捕捉環境中的溫度、濕度、大氣壓力及噪聲強度參數,為環境調控、安全預警、設備運維等提供數據支撐,可提供精準氣象數據,輔助天氣預測或災害預警
- 廠家客服:

- 廠家電話:13276361891
一、溫濕度大氣壓噪聲傳感器產品簡介
溫濕度大氣壓噪聲傳感器是一款環境監測傳感器,常被集成或單獨用于捕捉環境中的溫度、濕度、大氣壓力及噪聲強度參數,為環境調控、安全預警、設備運維等提供數據支撐,可提供精準氣象數據,輔助天氣預測或災害預警
我司作為專業研發生產氣象傳感器的企業,一直致力于氣象傳感器和氣象環境解決方案推廣應用。具有完整的生產鏈、實力雄厚的技術團隊和全面的營銷團隊,我們研發生產的傳感器已廣泛應用到智慧農業、氣象監測、城市環境監測、風力發電、航海船舶、航空機場、橋梁隧道等領域,客戶遍布全國各地,并取得了良好的社會效益和經濟效益。
二、溫濕度大氣壓噪聲傳感器產品特點
1、抗干擾能力強,具有看門狗電路,自動復位功能,保證系統穩定運行
2、高集成度,無移動部件,零磨損
3、免維護,無需現場校準
4、采用ASA工程塑料室外應用常年不變色
5、產品設計輸出信號標配為RS485通訊接口(MODBUS協議);可選配232、USB、以太網接口,支持數據實時讀取☆
6、可選配無線傳輸模塊,最小傳輸間隔1分鐘
三、溫濕度大氣壓噪聲傳感器技術參數
1、空氣溫度:-40-60℃(±0.3℃);
2、空氣濕度:0-100%RH(±3%RH);
3、大氣壓力:300-1100hpa(±0.25%);
4、噪聲:30-120dB(±1.5dB)
5、功率:0.12W
6、生產企業具有計算機軟件注冊證書☆
7、生產企業為3A級信用企業☆
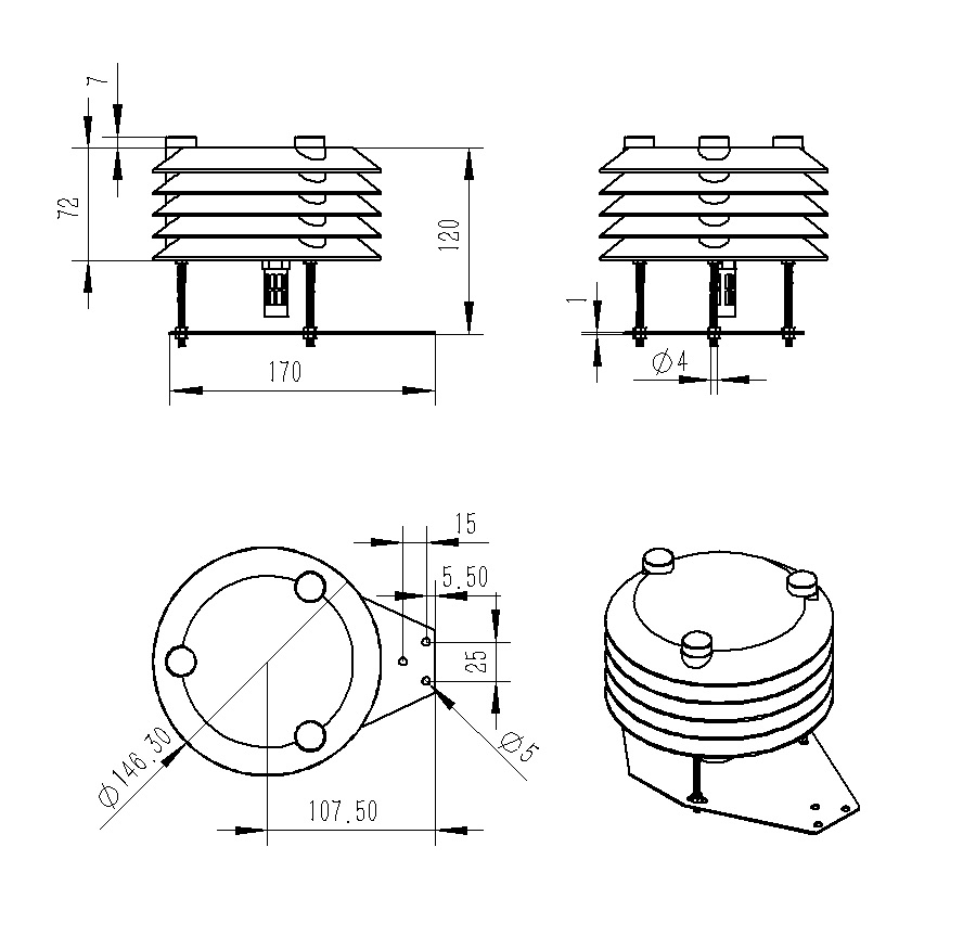
四、產品尺寸圖

五、產品結構圖

文章地址:http://m.bliked.com/byxcgq/1205.html
- 上一篇:PM2.5 PM10傳感器
- 下一篇:智慧農業傳感器





